NAND 基本操作
以 2Gb NAND 器件为例,它由 2048 个区块组成,每个区块有 64 个页 ( 见图 3) 。
图 3 2GB NAND闪存包含 2,048 个区块
每一个页均包含一个 2048 字节的数据区和 64 字节的空闲区,总共包含 2,112 字节。空闲区通常被用于 ECC 、耗损均衡 (wear leveling) 和其它软件开销功能,尽管它在物理上与其它页并没有区别。 NAND 器件具有 8 或 16 位接口。通过 8 或 16 位宽的双向数据总线,主数据被连接到 NAND存储器 。在 16 位模式,指令和地址仅仅利用低 8 位,而高 8 位仅仅在数据传输周期使用。
擦除区块所需时间约为 2ms 。一旦数据被载入寄存器,对一个页的编程大约要 300μs 。读一个页面需要大约 25μs ,其中涉及到存储阵列访问页,并将页载入 16,896 位寄存器中。
除了 I/O 总线, NAND 接口由 6 个主要控制信号构成:
1. 芯片启动 (Chip Enable, CE#) :如果没有检测到 CE 信号,那么, NAND 器件就保持待机模式,不对任何控制信号作出响应。
2. 写使能 (Write Enable, WE#): WE# 负责将数据、地址或指令写入 NAND 之中。
3. 读使能 (Read Enable, RE#): RE# 允许输出数据缓冲器。
4. 指令锁存使能 (Command Latch Enable, CLE): 当 CLE 为高时,在 WE# 信号的上升沿,指令被锁存到 NAND 指令寄存器中。
5. 地址锁存使能 (Address Latch Enable, ALE) :当 ALE 为高时,在 WE# 信号的上升沿,地址被锁存到 NAND 地址寄存器中。
6. 就绪 / 忙 (Ready/Busy, R/B#) :如果 NAND 器件忙, R/B# 信号将变低。该信号是漏极开路,需要采用上拉电阻。
数据每次进 / 出 NAND 寄存器都是通过 16 位或 8 位接口。当进行编程操作的时候,待编程的数据进入数据寄存器,处于在 WE# 信号的上升沿。在寄存器内随机存取或移动数据,要采用专用指令以便于随机存取。
数据寄存器输出数据的方式与利用 RE# 信号的方式类似,负责输出现有的数据,并增加到下一个地址。 WE# 和 RE# 时钟运行速度极快,达到 30ns 的水准。当 RE# 或 CE# 不为低的时候,输出缓冲器将为三态。这种 CE# 和 RE# 的组合使能输出缓冲器,容许 NAND 闪存与 NOR 、 SRAM 或 DRAM 等其它类型存储器共享数据总线。该功能有时被称为 “ 无需介意芯片启动 (chip enable don't care)” 。这种方案的初衷是适应较老的 NAND 器件,它们要求 CE# 在整个周期为低 ( 译注:根据上下文改写 ) 。

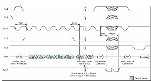
图 4 输入寄存器接收到页编程 (80h) 指令时,内部就会全部重置为 1s ,使得用户可以只输入他想以 0 位编程的数据字节

图 5 带有随机数据输入的编程指令。图中加亮的扇区显示,该指令只需要后面跟随着数据的 2 个字节的地址